你在这里:首页
产品中心
COL10/20 | 光纤准直器
COL10/20光纤准直器,带有SMA905或者FC/PC接口,镜片直径可选择6mm,10mm,20mm;可以用于单模或者多模光纤跳线,对准波长从360 nm到1620 nm,根据波长不同,每个准直器都经过出厂对准,简化光纤耦合探测系统,采用铝合金阳极化黑色外壳。用于准直从FC/PC或者SMA905接头光纤出射的光,并具有衍射极限的性能。这些光纤准直器可以通过拧松侧面的螺钉来微调焦距,产品结构紧凑,方便集成到已有的装置中。因为非球面透镜会产生色差,所以有效焦距(EFL)与波长有关。可以接光纤输出光功率小于10w的跳线!

本产品可以用于光纤准直也可以用于耦合聚焦用;有一片非球面镀膜的透镜,和铝合金外壳组合而成。可选FC/PC,FC/APC和SMA905接口。
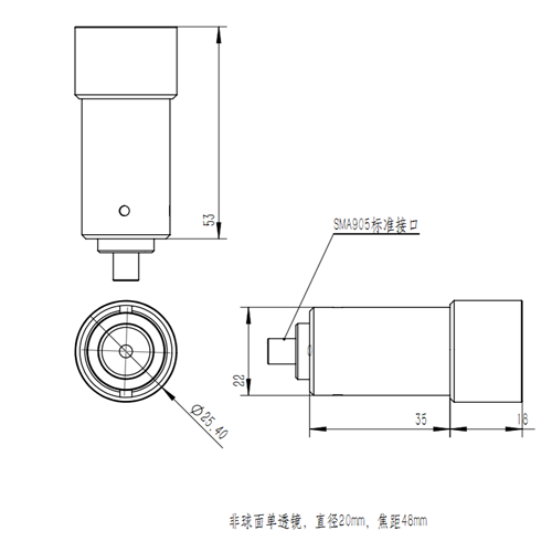
| 型号 | 增透膜波长范围 | 光纤接口 | 镜片直径 | 焦距 | 实物图 | 尺寸图 | ||
| COL10-550-FCPC | 350~800nm | FC/PC | 10.0mm | 18mm | ![]() |
![]() |
||
| COL10-850-FCPC | 600~1050nm | FC/PC | 10.0mm | |||||
| COL10-1310-FCPC | 1050~1620nm | FC/PC | 10.0mm | |||||
| COL10-550-SMA | 350~800nm | SMA905 | 10.0mm | |||||
| COL10-850-SMA | 600~1050nm | SMA905 | 10.0mm | |||||
| COL10-1310-SMA | 1050~1620nm | SMA905 | 10.0mm | |||||
| COL20-550-FCPC | 350~800nm | FC/PC | 20.0mm | 47mm | ![]() |
![]() |
||
| COL20-850-FCPC | 600~1050nm | FC/PC | 20.0mm | |||||
| COL20-1310-FCPC | 1050~1620nm | FC/PC | 20.0mm | |||||
| COL20-550-SMA | 350~800nm | SMA905 | 20.0mm | |||||
| COL20-850-SMA | 600~1050nm | SMA905 | 20.0mm | |||||
| COL20-1310-SMA | 1050~1620nm | SMA905 | 20.0mm | |||||
COL10准直器配套支架
| FL75 法兰盘 | FLC75 法兰盘 | ||||
| FL75 | 安装图 | 产品连接 | FLC75 | 安装图 | 产品连接 |
![]() |
![]() |
FL75 法兰盘 OSB 光学支杆 |
![]() |
![]() |
FLC75 法兰盘 OS 光学镜架 OSB 光学支杆 |
| FS-75 支架 | |||||
| FS-75 | 安装图 | 产品连接 | |||
![]() |
![]() |
FS-75 支架 SMA905接头的石英光纤 |
|||
COL20准直器配套支架
| OSS-25.4 二维光学镜架 | OS-25.4 光学镜架 | ||||
| OSS-25.4 | 安装图 | 产品连接 | OS-25.4 | 安装图 | 产品连接 |
![]() |
![]() |
OSS 光学镜架 OSB 光学支杆 |
![]() |
![]() | OS 光学镜架 OSB 光学支杆 |














